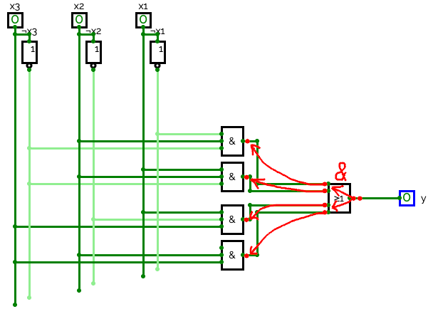
Wir können durch Bubble Pushing die Gatter so verändern, dass wir nur noch NAND- oder NOR-Gatter haben
Als Term:
y=(x3∧x2∧x1)∨(x3∧x2∧x1)∨(x3∧x2∧x1)∨(x3∧x2∧x1)=(x3∧x2∧x1)∧(x3∧x2∧x1)∧(x3∧x2∧x1)∧(x3∧x2∧x1)
Als Schaltnetz:

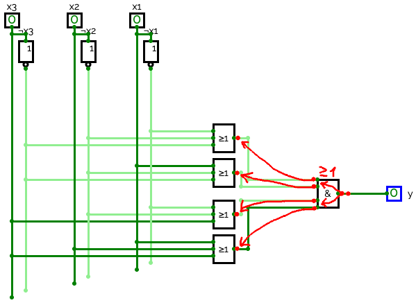
Als Term:
y=(x3∨x2∨x1)∧(x3∨x2∨x1)∧(x3∨x2∨x1)∧(x3∨x2∨x1)=(x3∨x2∨x1)∨(x3∨x2∨x1)∨(x3∨x2∨x1)∨(x3∨x2∨x1)
Als Schaltnetz:
